8 (925) 663-83-63Call-центр
пн-вс: 10:00-19:00
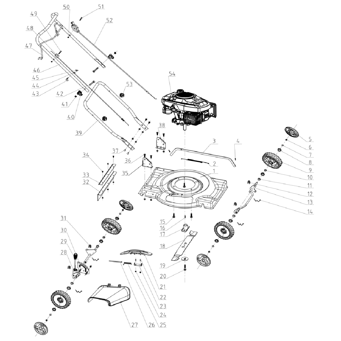
Данная модель имеет несколько схем
| N | Артикул | Название | Срок отгрузки | Цена | Купить |
| б/н | N000-031-172 | Бензобак в сборе | 2.905 р. | ||
| 1.1 | N000-020-552 | Корпус | 3.293 р. | ||
| 1.10 | N000-020-555 | Шайба D18хd13х16.6 | – | ||
| 1.11 | N000-020-179 | Подшипник пластиковый | 165 р. | ||
| 1.12 | N000-020-556 | Втулка передней оси | – | ||
| 1.13 | N000-020-557 | Ось передних колес | – | ||
| 1.14 | N000-020-300 | Скоба фиксации оси | 92 р. | ||
| 1.15 | N000-020-558 | Болт M8x25 | – | ||
| 1.16 | N000-020-559 | Шпонка L-35 | – | ||
| 1.17 | N000-020-560 | Кронштейн ножа 30mm | 414 р. | ||
| 1.18 | N000-020-561 | Нож газонокосилки L465 | 1.062 р. | ||
| 1.19 | N000-020-325 | Шайба D10.5xD45x2.5 | – | ||
| 1.2 | N000-020-394 | Пружина штанги | – | ||
| 1.20 | N000-020-410 | Болт 3/8 ″-24-UNF L=25 | – | ||
| 1.21 | N000-020-562 | Кожух | – | ||
| 1.22 | N000-020-458 | Винт M5х10 | – | ||
| 1.23 | N000-020-301 | Скоба | – | ||
| 1.24 | N000-020-423 | Гайка M5(nylon self-locking) | – | ||
| 1.25 | N000-020-456 | Пружина | – | ||
| 1.26 | N000-020-457 | Ось | – | ||
| 1.27 | N000-020-563 | Кожух боковой | 1.935 р. | ||
| 1.28 | N000-020-564 | Ось задних колес | – | ||
| 1.29 | N000-020-421 | Рукоятка | – | ||
| 1.3 | N000-020-553 | Штанга соединительная | 193 р. | ||
| 1.30 | N000-020-565 | Рычаг регулировки клиренса | – | ||
| 1.31 | N000-020-566 | Втулка задней оси | – | ||
| 1.32 | N000-020-289 | Брызговик | – | ||
| 1.33 | N000-020-567 | Фиксатор брызговика | – | ||
| 1.34 | N000-020-568 | Болт M5x12 | – | ||
| 1.35 | N000-020-569 | Кронштейн рукоятки правый | – | ||
| 1.36 | N000-020-429 | Болт M8x16 | – | ||
| 1.37 | N000-020-570 | Кронштейн рукоятки левый | – | ||
| 1.38 | N000-020-454 | Болт M8x16 | – | ||
| 1.39 | N000-020-571 | Рукоятка нижняя | – | ||
| 1.4 | N000-020-402 | Шплинт | 92 р. | ||
| 1.40 | N000-020-572 | Ручка-фиксатор | – | ||
| 1.41 | N000-020-127 | Гайка M8 | 92 р. | ||
| 1.42 | N000-020-573 | Болт M8x50 | – | ||
| 1.43 | N000-020-433 | Крюк | – | ||
| 1.44 | N000-020-574 | Шайба D12хd6х1.5 | – | ||
| 1.45 | N000-020-132 | Гайка M6 | – | ||
| 1.46 | N000-020-575 | Рукоятка верxняя | – | ||
| 1.47 | N000-020-576 | Рычаг тормоза | – | ||
| 1.48 | N000-020-577 | Трос тормоза | 5.815 р. | ||
| 1.49 | N000-020-181 | Болт M6x35 | – | ||
| 1.5 | N000-020-397 | Колпак колеса | – | ||
| 1.51 | N000-020-287 | Болт M6x45 | – | ||
| 1.52 | N000-020-578 | Трос воздушной заслонки | 434 р. | ||
| 1.53 | N000-020-579 | Прижим | – | ||
| 1.54 | N000-020-580 | ДВС ГКБ-510 | 5.371 р. | ||
| 1.6 | N000-020-190 | Гайка регулировочная M8(nylon self-locked) | – | ||
| 1.7 | N000-020-554 | Шайба D16хd8.5х1 | – | ||
| 1.8 | U009-600-1RS | Подшипник шариковый 6001-2Z (28х12х8) CHFZ | 286 р. | ||
| 1.9 | N000-020-400 | Колесо 7″ | 771 р. | ||
| 2.1 | N000-020-461 | Болт M6x30 | – | ||
| 2.10 | N000-020-468 | Кольцо стопорное | – | ||
| 2.100 | N000-020-547 | Крышка фильтра | 383 р. | ||
| 2.101 | N000-020-548 | Фильтр воздушный каркасный 132х112хh23 | 265 р. | ||
| 2.102 | N000-020-549 | Крышка отработанныx газов | – | ||
| 2.103 | N000-020-550 | Втулка | – | ||
| 2.104 | N000-020-551 | Основание воздушного фильтра | 1.159 р. | ||
| 2.105 | N000-020-305 | Скоба | – | ||
| 2.11 | N000-020-469 | Шайба D12хd6.5х1 | – | ||
| 2.12 | N000-020-470 | Вал регулятора | – | ||
| 2.13 | N000-020-471 | Прокладка картера | 2.905 р. | ||
| 2.14 | N000-020-472 | Распредвал | 465 р. | ||
| 2.15 | N000-020-312 | Толкатель 30.5mm | – | ||
| 2.17 | N000-020-474 | Шатун | 1.307 р. | ||
| 2.18 | N000-020-185 | Болт M6x14 | – | ||
| 2.19 | N000-020-475 | Пластина | – | ||
| 2.2 | N000-020-218 | Сальник D38хd25х7 | 514 р. | ||
| 2.20 | N000-020-476 | Болт M6x18 | – | ||
| 2.21 | N000-020-477 | Пластина коромысел в сборе | – | ||
| 2.22 | N000-020-478 | Пружина 51х6х0.6 | – | ||
| 2.24 | N000-020-479 | Болт M6x23 | – | ||
| 2.25 | N000-020-480 | Кулиса регулятора скорости | – | ||
| 2.26 | N000-020-481 | Шплинт | – | ||
| 2.27 | N000-020-482 | Сальник D11хd6х4 | 145 р. | ||
| 2.28 | N000-020-483 | Рычаг регулятора скорости | – | ||
| 2.29 | N000-020-484 | Шланг L=140mm | – | ||
| 2.3 | N000-020-462 | Поддон картера | – | ||
| 2.30 | N000-020-581 | Шланг L=310mm | – | ||
| 2.31 | N000-020-486 | Кронштейн бензобака левый | – | ||
| 2.32 | N000-020-487 | Хомут d8mm | – | ||
| 2.33 | N000-020-499 | Шпилька | – | ||
| 2.34 | N000-020-489 | Хомут d11.5mm | – | ||
| 2.35 | N000-020-490 | Фильтр топливный | – | ||
| 2.36 | N000-020-491 | Крышка топливного бака | – | ||
| 2.37 | N000-020-492 | Кронштейн бензобака правый | – | ||
| 2.38 | N000-020-493 | Фильтр масляный | 2.388 р. | ||
| 2.39 | N000-020-494 | Прокладка | – | ||
| 2.4 | N000-020-463 | Штифт d8x14 | – | ||
| 2.40 | N000-020-495 | Сапун | – | ||
| 2.41 | N000-020-496 | Крышка | – | ||
| 2.42 | N000-020-497 | Маховик | 2.905 р. | ||
| 2.43 | N000-020-498 | Крыльчатка | – | ||
| 2.45 | N000-020-500 | Чашка-храповик | – | ||
| 2.46 | N000-020-501 | гайка M14x1.5 | – | ||
| 2.47 | N000-020-502 | Втулка | – | ||
| 2.48 | N000-020-503 | Корпус верхняя часть | – | ||
| 2.49 | N000-020-308 | Стартер в сборе | 1.107 р. | ||
| 2.5 | N000-020-464 | Планка прижимная | – | ||
| 2.50 | N000-020-504 | Крышка декоративная | – | ||
| 2.51 | N000-020-505 | Шпилька | – | ||
| 2.53 | N000-020-313 | Тормоз | – | ||
| 2.54 | N000-020-507 | Сальник D35хd22х7 | 265 р. | ||
| 2.55 | U009-620-5RS | Подшипник шариковый 6205-2RS (52х25х15) JT | 644 р. | ||
| 2.56 | N000-020-508 | Втулка | – | ||
| 2.57 | N000-020-264 | Болт M6x25 | – | ||
| 2.58 | V000-004-333 | Магнето H=68 h=58 d=31 L=90 | 1.080 р. | ||
| 2.59 | N000-020-510 | Блок цилиндра D65мм | 5.412 р. | ||
| 2.6 | N000-020-134 | Болт M6x12 | – | ||
| 2.60 | N000-020-511 | Прокладка головки цилиндра | 2.905 р. | ||
| 2.61 | N000-020-512 | Штифт d10х16 | – | ||
| 2.62 | N000-020-513 | Клапан выпускной | 577 р. | ||
| 2.63 | N000-020-514 | Клапан впускной | 577 р. | ||
| 2.64 | N000-020-515 | Головка цилиндра | 2.905 р. | ||
| 2.65 | N000-001-726-2 | Свеча зажигания F7TC для газонокосилок | 383 р. | ||
| 2.66 | N000-020-516 | Экран глушителя | – | ||
| 2.67 | N000-020-517 | Глушитель | – | ||
| 2.68 | N000-020-582 | Кожух глушителя | – | ||
| 2.7 | N000-020-465 | Регулятор скорости центробежный | – | ||
| 2.70 | N000-020-519 | Крышка клапанная | – | ||
| 2.71 | N000-020-520 | Прокладка клапанной крышки | – | ||
| 2.72 | N000-020-521 | Коромысла в сборе | – | ||
| 2.73 | N000-020-306 | Тарелка клапана | – | ||
| 2.74 | N000-020-522 | Пружина клапанная | – | ||
| 2.75 | N000-020-523 | Шайба маслосъемная | – | ||
| 2.76 | N000-020-524 | Направляющая | – | ||
| 2.77 | N000-020-525 | Штанга толкателя L=121.5mm | – | ||
| 2.78 | N000-020-526 | Болт M8x45 | – | ||
| 2.79 | N000-020-527 | Шпилька M6х92 | – | ||
| 2.8 | N000-020-466 | Шайба D15хd6.5х0.5 | – | ||
| 2.80 | N000-020-528 | Шпилька M6х95 | – | ||
| 2.81 | N000-020-529 | Прокладка paper | – | ||
| 2.82 | N000-020-309 | Теплоизолятор | – | ||
| 2.83 | N000-020-530 | Прокладка paper | – | ||
| 2.84 | N000-020-531 | Карбюратор | 6.784 р. | ||
| 2.85 | N000-020-532 | Прокладка | – | ||
| 2.86 | N000-020-533 | Пружина дроссельной заслонки | – | ||
| 2.87 | N000-020-534 | Тяга дроссельной заслонки | – | ||
| 2.88 | N000-020-535 | Втулка | – | ||
| 2.89 | N000-020-536 | Маслозаливная горловина | – | ||
| 2.9 | N000-020-467 | Втулка регулятора | – | ||
| 2.90 | N000-020-537 | Кольцо уплотнительное | – | ||
| 2.91 | N000-020-538 | Крышка маслозаливной горловины | – | ||
| 2.92 | N000-020-539 | Палец поршня | – | ||
| 2.93 | N000-020-540 | Кольцо стопорное | – | ||
| 2.94 | N000-020-541 | Поршень D65 мм | 904 р. | ||
| 2.95 | N000-020-542 | Кольца поршневые комплект. D65mm | 283 р. | ||
| 2.96 | N000-020-543 | Болт M6x50 | – | ||
| 2.98 | N000-020-545 | Прокладка | – | ||
| 2.99 | N000-020-546 | Кольцо уплотнительное d21X2.3mm | – |
| Найдено товаров: 153 |
|
8 (925) 663-83-63 Call-центр
пн-вс: 10:00-19:00
| Введите номер заказа |
| Введите номер своего заказа, что бы узнать его текущий статус. Что бы получить доступ к расширенным функциям, пройдите не сложную регистрацию. Зарегистрироваться |